Усилитель ЗЧ на интегральной микросхеме К548УН1
Усилитель на микросхеме К548УН1.
Усилитель ЗЧ на интегральной микросхеме К548УН1. Принципиальная схема Усилителя
|
|
|
Усилитель на микросхеме К548УН1.
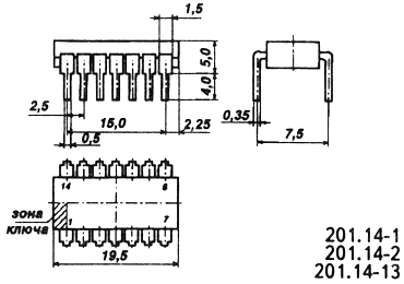
Микросхемы представляют собой двухканальный малошумящий усилитель для предварительного усиления сигналов частотой до 1 МГц для применения в высококачественной стереофонической бытовой и студийной аппаратуре записи и воспроизведения звука, а также для использования в измерительной аппаратуре (анализаторы спектра, измерители нелинейных искажений, широкополосные усилители). Усилитель имеет встроенный стабилизатор напряжения, внутреннюю частотную коррекцию, защиту от короткого замыкания. Корпус типа 201.14-1, масса не более 1 г.
1 - вход неинвертирующий 1;
2 - вход инвертирующий 1;
3 - общий эмиттер 1;
4 - земля;
5,6 - коррекция 1;
7 - выход 1;
8 - выход 2;
9 - напряжение питания;
10,11 - коррекция 2;
12 - общий эмиттер 2;
13 - вход инвертирующий 2;
14 - вход неинвертирующий 2;
|
|
Даташит микросхемы К548УН1.
Принципиальная схема Усилителя
Даташит микросхемы К548УН1.
|
|
Советские Усилители - Вега, Радиотехника, Амфитон, Лорта, Корвет
Усилитель Вега У-120-стерео
Усилитель Вега У-120-стерео
|
|
|
Усилитель Вега У-120-стерео
Бердский р-завод. Модель 1987 года.
-
Позднее ''Вега 10У-120-стерео
1 группы сложности. Он предназначен для усиления сигналов от различных источников звуковых программ. Модель имеет: коммутацию
входов источников программ; регулировку АЧХ ВЧ и НЧ, громкости истереобаланса; ступенчатое изменение громкости; включение фильт
ров ВЧ, НЧ; индикаторы сети и перегрузки. Усилитель имеет розеткиподключения звукоснимателя, магнитофона, тюнера, АС и телефонов.
Диапазон рабочих частот 20..20000 Гц. Номинальная мощность 2х10, максимальная 2х25 Вт. КНИ 0,3 %. Отношение сигнал-шум не менее
66 дБ. Напряжение сигнала со входов: корректирующего / линейного5/500 мВ. Сопротивление АС 8 Ом. Потребляемая мощность 44...120
Вт. Габаритные размеры усилителя - 430х70х360 мм. Его масса 7 кг.
сюда >>>
|
|
|
Лорта 50У - 202 С
Лорта 50У - 202 С, 1992 г. в. Аналоги : Амфитон 50у-202с и 50у-002
Характеристики:
Стереофонический полный усилитель низкой частоты высшей группы сложности обеспечивает высококачественное усиление музыкальных и речевых программ в стерео и монофоническом режимах при работе от раз личных источников фонограмм. В усилителе предусмотрены: возможность оперативного выбора источника сигнала с помощью переключателя ''Селектор''; ограничительные фильтры по высшим и инфранизким звуковым частотам; наличие двух режимов работы (стерео и моно); регуляторы тембра по высшим и низшим частотам: регулировка уровня громкости с тонкомпенсацией; перевод усилителя в режим линейного усиления; слуховой контроль качества записываемого сигнала на магнитофон; электронная защита от коротких замыканий на выходе УНЧ; автоматическое отключение акустических систем при неисправности усилителя.
Выходная мощность номинальная - 2х40Вт. Диапазон воспроизводимых частот 20...27000 Гц. Коэффициент гармоник в диапазоне частот 40...16000 Гц не более 0,15%. Габариты усилителя - 390х88х390 мм, его масса - 9 кг.
сюда >>>
|
|
Кумир У-001-стерео
Принципиальная схема Усилителя
 |
|
Кумир У-001-стерео
Стереофонический полный усилитель"Кумир У-001-стерео". Изготовитель: Ульяновский механический завод. Производство усилителя начато в 1988 года.
--
Полный стереоусилитель ''Кумир У-001-стерео'' - предназначен для усиления и коммутации сигналов от различных источников. В нём предусмотрена регулировка тембра по низшим,
средним и высшим ЗЧ, ступенчатое ослабление громкости на 20 дБ, имеется отключаемый фильтр инфранизких частот. К усилителю можно подключить 2 пары акустических систем
и стереотелефонов, два магнитофона работающие в режимах записи или воспроизведения. В каждом канале предусмотрена электронная защита выходных транзисторов от коротко
го замыкания в нагрузке. На корпусе усилителя установлены две розетки, через которые можно подключить к электросети два радиоаппарата с общей мощностью не более 200 Вт.
Номинальная выходная мощность 2х35 Вт (4Ом). Суммарный коэффициент гармоник 0,15%. Диапазон рабочих частот 20...25000 Гц. Отношение сигнал/взвешенный шум -85 дБ. Переходное затухание между каналами 48 дБ. Пределы регулировки тембров по НЧ, СЧ и ВЧ частотам соответстенно ±12, ±10, ±15 дБ. Габариты - 460х90х360 мм. Вес 10 кг.
сюда >>>
|
|
 |
No Comment? No! Comment! Более подробную информацию об этом можно узнать, кликнув по картинке...
|
|
|
Как самому собрать Усилитель-230 - доступны два уровня оснащения: «Стандарт» и «Норма» Как самому собрать Усилитель-230 - доступны два уровня оснащения: «Стандарт» и «Норма». Ретро Авто. Худлжники в Полоцке. Время Луны. Картинка. Реферат. Обои для компьютера<
Как самому собрать Усилитель-230 . Сайт. Фото. Самодельный Усилитель Редчайший суперкар. |
|
|