Принципиальная схема микросхемы К157УД2
Усилитель на микросхеме К157УД2
 |
|
Принципиальная схема микросхемы К157УД2
Прочежутчный каскад - усилитель напряжения ? выполнен на транзисторах VF19 и VT21 (VT20 и VT22), включенных соответственно по схеме с ОК и ОЭ Здесь также используется динамическая нагрузка, образованная транзистором VT23 (VT24). Режим эмиттерного повторителя - транзистора VT19 (VT20) - выбран таким, чтобы нагрузка обоих плеч дифференциального усилителя была примерно одинаковой.
Усилитель мощности - двухтактный. Сигнал положительной полярности по-счупает на выход ОУ через транзисторы VT26 и VT37 (VT31 и VT40), отрицательный - через транзисторы VT27 и VT38 (VT29 и VT39), включенные составными эмиттерными повторителями. Начальное напряжение смещения, необходимое для уменьшения переходных искажений, выделяется на переходах база-эмит-гер транзисторов VT26 (VT31) и VT27,(VT30).
В усилителе предусмотрена защита от короткого замыкания по выходу как при положительной, так и при отрицательной полярности выходного сигнала Ограничение тока происходит благодаря шунтированию выхода усилителя напряжения - коллектора транзистора VT21 (VT22) - низким сопротивле- нием открытых транзисторов VT34 (VT35) для сигнала положительной полярности и.,и VT33 (VT36) для сигнала отрицательной полярности при увеличении пагения напряжения на резисторах R8 (R11) и R9 (R10).
Транзистор VT17 (VT18) предотвращает перегрузку транзисторов VT19 VT21, VТ27, VT28 (VT20, VT22, VT29, VT30) при большом уровне входного сигнала Этот транзистор открывается при увеличении падения напряжения на резисторе R6 (R7) и шунтирует вход транзистора VT19 (VT20). Диод VD1 (1 D2) устраняет насыщение транзистора VT21 (VT22) и улучшает работу каскада на высоких частотах при максимальном выходном напряжении (особенно в начальной области режима ограничения)
Режим ОУ по постоянному току определяется генераторами тока на транзисторах VT11, VT23, VT25 (VT12, VT24, VT32) управляемых через транзистор VT4 (VT5) в диодном включении током транзистора VT2 (VT3), который, в свою очередь, возбуждается от общего для обоих каналов устройства стабилизации режима, выполненного на транзисторах VT1, VT10 и резисторе R1,
Устойчивая работа каждого из операционных усилителей с замкнутой петлей отрицательной обратной связи обеспечивается подключением корректирующих конденсаторов к соответствующим выводам (1, 14 или 7, 8) микросхемы. Необходимая емкость конденсатора определяется в каждом конкретном случае глубиной обратной связи. Возможно подключение корректирующих конденсаторов также и между другими выводами, например, между выводами 1, 13 (7, 9) или выводами 1 (7) и общим проводом источников питания.
При значительной длине проводов, подводящих напряжение питания к выводам 11 и 4, следует подключать дополнительный блокирующий конденсатор.
|
|
|
К157УД2
К157УД2 – популярная отечественная интегральная микросхема, реализующая функционал двуканального операционного усилителя с низким уровнем собственного шума. Назначение ОУ чётко не прописано, ИМС может применяться в любых схемах, но наибольшее распространение она нашла в устройствах, работающих со звуковыми колебаниями (частоты 20-20000 Гц).
Класс точности операционного усилителя – средний.
Выходы ИМС имеют встроенную защиту от коротких замыканий.
Микросхема была разработана ещё в 80-х годах XX века, но это не значит, что она утратила свою актуальность в настоящее время. Она по-прежнему может стать основой хорошего звукового усилителя.
|
|
Назначение выводов К157УД2
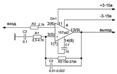
Принципиальная схема Усилителя
 |
Внешний вид и корпус К157УД2
|
Внешний вид и корпус К157УД2
|
|
Типовые схемы включения К157УД2
|
Типовые схемы включения К157УД2
Как и любой другой современный операционный усилитель, К157УД2 может быть включена в схему с однополярным или двуполярным питанием. В последнем случае качество усиления заметно лучше.
Усилитель с однополярным питанием
Схема включения при однополярном питании, в соответствии с рекомендациями производителя, выглядит следующим образом.
|
|
Даташит микросхемы
|
Усилитель Вега У-120-стерео
Бердский р-завод. Модель 1987 года.
-
Позднее ''Вега 10У-120-стерео
1 группы сложности. Он предназначен для усиления сигналов от различных источников звуковых программ. Модель имеет: коммутацию
входов источников программ; регулировку АЧХ ВЧ и НЧ, громкости истереобаланса; ступенчатое изменение громкости; включение фильт
ров ВЧ, НЧ; индикаторы сети и перегрузки. Усилитель имеет розеткиподключения звукоснимателя, магнитофона, тюнера, АС и телефонов.
Диапазон рабочих частот 20..20000 Гц. Номинальная мощность 2х10, максимальная 2х25 Вт. КНИ 0,3 %. Отношение сигнал-шум не менее
66 дБ. Напряжение сигнала со входов: корректирующего / линейного5/500 мВ. Сопротивление АС 8 Ом. Потребляемая мощность 44...120
Вт. Габаритные размеры усилителя - 430х70х360 мм. Его масса 7 кг.
сюда >>>
|
|
|
Лорта 50У - 202 С
Лорта 50У - 202 С, 1992 г. в. Аналоги : Амфитон 50у-202с и 50у-002
Характеристики:
Стереофонический полный усилитель низкой частоты высшей группы сложности обеспечивает высококачественное усиление музыкальных и речевых программ в стерео и монофоническом режимах при работе от раз личных источников фонограмм. В усилителе предусмотрены: возможность оперативного выбора источника сигнала с помощью переключателя ''Селектор''; ограничительные фильтры по высшим и инфранизким звуковым частотам; наличие двух режимов работы (стерео и моно); регуляторы тембра по высшим и низшим частотам: регулировка уровня громкости с тонкомпенсацией; перевод усилителя в режим линейного усиления; слуховой контроль качества записываемого сигнала на магнитофон; электронная защита от коротких замыканий на выходе УНЧ; автоматическое отключение акустических систем при неисправности усилителя.
Выходная мощность номинальная - 2х40Вт. Диапазон воспроизводимых частот 20...27000 Гц. Коэффициент гармоник в диапазоне частот 40...16000 Гц не более 0,15%. Габариты усилителя - 390х88х390 мм, его масса - 9 кг.
сюда >>>
|
|
 |
No Comment? No! Comment! Более подробную информацию об этом можно узнать, кликнув по картинке...
|
|
|
Как самому собрать Усилитель-230 - доступны два уровня оснащения: «Стандарт» и «Норма» Как самому собрать Усилитель-230 - доступны два уровня оснащения: «Стандарт» и «Норма». Ретро Авто. Худлжники в Полоцке. Время Луны. Картинка. Реферат. Обои для компьютера<
Как самому собрать Усилитель-230 . Сайт. Фото. Самодельный Усилитель Редчайший суперкар. |
|
|