Усилитель ЗЧ на интегральной микросхеме
Усилитель на микросхеме TDA2052.
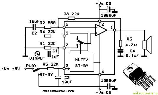
Усилитель ЗЧ на интегральной микросхеме TDA2052. Принципиальная схема Усилителя
|
|
|
Усилитель на микросхеме TDA2052.
>>>
Усилитель мощности на микросхеме TDA2052
Назначение
TDA2052 представляет собой интегральную микросхему для использования в качестве усилителя звуковой частоты класса AB.
Выходная мощность усилителя на TDA2052 составляет 60 ватт на нагрузку 4…8 Ом. Напряжение питания двуполярное от +/-6 до +/-25 вольт. Потребляемый ток около 6 ампер. Температурные условия эксплуатации микросхемы TDA2052 от -40 до +150 градусов по Цельсию.
Коэффициент нелинейных искажений правильно собранного усилителя на нагрузку 4 Ом при выходной мощности 20 ватт составляет 0,1…0,7%. На 8 Ом при неизменных прочих параметрах - 0,1…0,5%.
Можно ещё отметить, что в ИМС встроена защита от перегрева. Ну и напоследок приведем схему многоканального усилителя ЗЧ на трех TDA2052. Схема УЗЧ приведена ниже.
|
|
Схема многоканального усилителя ЗЧ на трех TDA2052
Принципиальная схема Усилителя
Схема многоканального усилителя ЗЧ на трех TDA2052
|
|
 |
Усилитель мощностью 4 Вт на микросхеме TDA2052
Советские Усилители - Вега, Радиотехника, Амфитон, Лорта, Корвет
Усилитель Вега У-120-стерео
|
Усилитель Вега У-120-стерео
Бердский р-завод. Модель 1987 года.
-
Позднее ''Вега 10У-120-стерео
1 группы сложности. Он предназначен для усиления сигналов от различных источников звуковых программ. Модель имеет: коммутацию
входов источников программ; регулировку АЧХ ВЧ и НЧ, громкости истереобаланса; ступенчатое изменение громкости; включение фильт
ров ВЧ, НЧ; индикаторы сети и перегрузки. Усилитель имеет розеткиподключения звукоснимателя, магнитофона, тюнера, АС и телефонов.
Диапазон рабочих частот 20..20000 Гц. Номинальная мощность 2х10, максимальная 2х25 Вт. КНИ 0,3 %. Отношение сигнал-шум не менее
66 дБ. Напряжение сигнала со входов: корректирующего / линейного5/500 мВ. Сопротивление АС 8 Ом. Потребляемая мощность 44...120
Вт. Габаритные размеры усилителя - 430х70х360 мм. Его масса 7 кг.
сюда >>>
|
|
|
Лорта 50У - 202 С
Лорта 50У - 202 С, 1992 г. в. Аналоги : Амфитон 50у-202с и 50у-002
Характеристики:
Стереофонический полный усилитель низкой частоты высшей группы сложности обеспечивает высококачественное усиление музыкальных и речевых программ в стерео и монофоническом режимах при работе от раз личных источников фонограмм. В усилителе предусмотрены: возможность оперативного выбора источника сигнала с помощью переключателя ''Селектор''; ограничительные фильтры по высшим и инфранизким звуковым частотам; наличие двух режимов работы (стерео и моно); регуляторы тембра по высшим и низшим частотам: регулировка уровня громкости с тонкомпенсацией; перевод усилителя в режим линейного усиления; слуховой контроль качества записываемого сигнала на магнитофон; электронная защита от коротких замыканий на выходе УНЧ; автоматическое отключение акустических систем при неисправности усилителя.
Выходная мощность номинальная - 2х40Вт. Диапазон воспроизводимых частот 20...27000 Гц. Коэффициент гармоник в диапазоне частот 40...16000 Гц не более 0,15%. Габариты усилителя - 390х88х390 мм, его масса - 9 кг.
сюда >>>
|
|
Кумир У-001-стерео
Принципиальная схема Усилителя
 |
|
Кумир У-001-стерео
Стереофонический полный усилитель"Кумир У-001-стерео". Изготовитель: Ульяновский механический завод. Производство усилителя начато в 1988 года.
--
Полный стереоусилитель ''Кумир У-001-стерео'' - предназначен для усиления и коммутации сигналов от различных источников. В нём предусмотрена регулировка тембра по низшим,
средним и высшим ЗЧ, ступенчатое ослабление громкости на 20 дБ, имеется отключаемый фильтр инфранизких частот. К усилителю можно подключить 2 пары акустических систем
и стереотелефонов, два магнитофона работающие в режимах записи или воспроизведения. В каждом канале предусмотрена электронная защита выходных транзисторов от коротко
го замыкания в нагрузке. На корпусе усилителя установлены две розетки, через которые можно подключить к электросети два радиоаппарата с общей мощностью не более 200 Вт.
Номинальная выходная мощность 2х35 Вт (4Ом). Суммарный коэффициент гармоник 0,15%. Диапазон рабочих частот 20...25000 Гц. Отношение сигнал/взвешенный шум -85 дБ. Переходное затухание между каналами 48 дБ. Пределы регулировки тембров по НЧ, СЧ и ВЧ частотам соответстенно ±12, ±10, ±15 дБ. Габариты - 460х90х360 мм. Вес 10 кг.
сюда >>>
|
|
 |
No Comment? No! Comment! Более подробную информацию об этом можно узнать, кликнув по картинке...
|
|
|
Как самому собрать Усилитель-230 - доступны два уровня оснащения: «Стандарт» и «Норма» Как самому собрать Усилитель-230 - доступны два уровня оснащения: «Стандарт» и «Норма». Ретро Авто. Худлжники в Полоцке. Время Луны. Картинка. Реферат. Обои для компьютера<
Как самому собрать Усилитель-230 . Сайт. Фото. Самодельный Усилитель Редчайший суперкар. |
|
|